Gewerbeimmobilie > Bürohaus
Zu Vermieten

*Provisionsfrei* ca. 920 - 1.393 m² Büro-/Praxisfläche Nähe Indupark zu vermieten.

44379 Dortmund
5.980 €

91927-7462-1
1985
920 m²
20
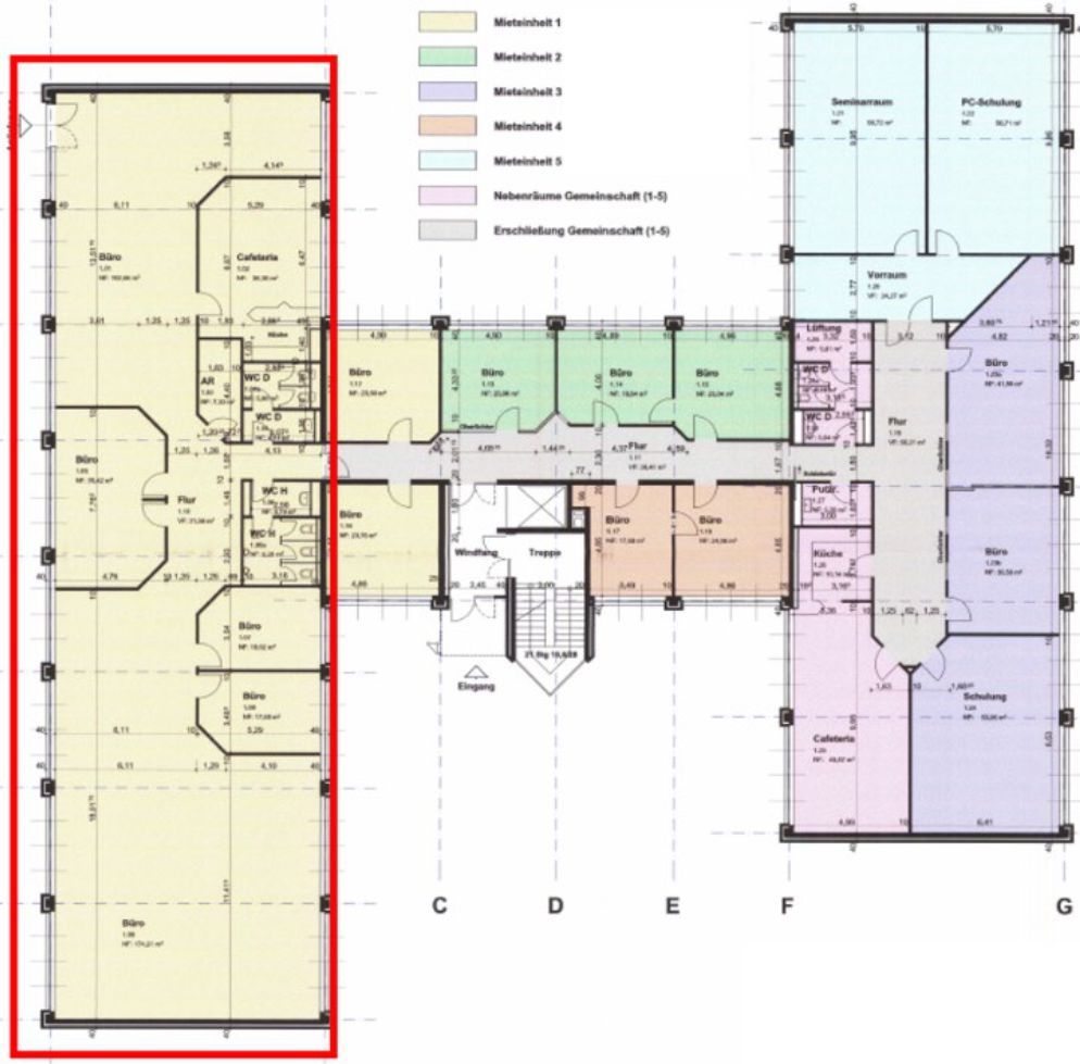
  • Zur Vermietung stehen folgende Büroflächen an:

    Haus 56: ca. 473 m² Büro 2. OG li
    Haus 56: ca. 460 m² Büro 2. OG re.
    Haus 60: ca. 460 m² Büro/Service EG
    Gesamt: ca.1.393 m²

    Stellplätze vorhanden EUR 40,– / mtl. je Stellplatz.

    Alle Preise verstehen sich zzgl. Mehrwertsteuer.
  • Flächen

    • Nutzfläche: 920 m²
    • Bürofläche: 920 m²
    • Gesamtfläche: 920 m²
    • Teilbar ab: 460 m²
    • Zimmer insgesamt: 20
    • Etagen: 3
    • Stellplätze: 2
    • Stellplatzart: Garage, Freiplatz
    • Außenstellplätze: 1
    • Garagenstellplätze: 1

    Zustand & Erschließung

    • Baujahr: 1985
    • Zustand: renoviert

    Sonstiges

    • Immobilie ist verfügbar ab: sofort
  • Sehr gute Ausstattung, variable Aufteilung nach Wünschen des Mieters, Kühlung nachrüstbar, Außenverschattung, Fensterbankverkabelung, Fenster mit Isoliervergla-sung.

    Aufteilung und Ausstattung nach Wünschen des Mieters

    Energieausweis: in Vorbereitung!

    • Personenaufzug
    • Energieausweis-Jahrgang: nicht verfügbar
    Energieausweis nicht verfügbar/erforderlich oder in Vorbereitung
    A
    B
    C
    D
    E
    F
    G
    H - I
  • Das markante Gebäude liegt direkt an der Kreuzung A40/A45, direkt gegenüber dem Indupark. Beste Anbindung zur Dortmunder Innenstadt, dem Technologiezentrum Dortmund sowie nach Bochum. Bushaltestelle Alter Hellweg, Linie 440 in unmittelbarer Nähe.

    • Kaltmiete: 5.980 €
    • monatl. Betriebs-/Nebenkosten: 2.400 €
    • Kaution: 17.940 €
    • Außenstellplatzmiete: 40 €

Ihre Ansprechpartner

02336-7787
     
Sicher!